找回密码
 欢迎注册
查看: 206|回复: 6

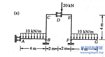
[刚架] 绘制图示刚架弯矩图

[复制链接]

管理员

UID
3
威望
0
金钱
4127
撸题
1
在线时间
621 小时
注册时间
2024-2-24
最后登录
2026-3-12

论坛元老

发表于 2024-7-25 11:02:36 | 显示全部楼层 |阅读模式

马上注册,结交更多好友,享用更多功能,让你轻松玩转社区。

您需要 登录 才可以下载或查看,没有账号?欢迎注册

×
11222747.png

回复查看答案

游客,如果您要查看本帖隐藏内容请回复


中级会员

UID
342
威望
0
金钱
110
撸题
97
在线时间
23 小时
注册时间
2024-6-19
最后登录
2025-7-23
发表于 2024-7-26 08:59:49 | 显示全部楼层
11111111111
回复

使用道具 举报

中级会员

UID
325
威望
0
金钱
190
撸题
91
在线时间
27 小时
注册时间
2024-5-17
最后登录
2024-10-17
发表于 2024-7-26 09:17:41 | 显示全部楼层
11111111111111111111
回复

使用道具 举报

注册会员

UID
239
威望
0
金钱
106
撸题
45
在线时间
14 小时
注册时间
2024-4-3
最后登录
2024-9-27

论坛元老

发表于 2024-8-3 20:52:04 | 显示全部楼层
xxxxxxxxxxxxxxx
11228031.png
回复

使用道具 举报

注册会员

UID
13
威望
0
金钱
131
撸题
30
在线时间
17 小时
注册时间
2024-3-5
最后登录
2024-8-13

论坛元老

发表于 2024-8-13 09:51:40 来自手机 | 显示全部楼层
1111111111
回复

使用道具 举报

注册会员

UID
15
威望
0
金钱
63
撸题
24
在线时间
9 小时
注册时间
2024-3-5
最后登录
2024-9-20

论坛元老

发表于 2024-9-9 12:54:26 | 显示全部楼层
1111111111
回复

使用道具 举报

注册会员

UID
251
威望
0
金钱
92
撸题
92
在线时间
24 小时
注册时间
2024-4-11
最后登录
2024-10-30

论坛元老

发表于 2024-9-23 16:35:56 | 显示全部楼层
学习一下
回复

使用道具 举报

您需要登录后才可以回帖 登录 | 欢迎注册

本版积分规则

QQ|Archiver|手机版|小黑屋|注册结构注册岩土论坛

GMT+8, 2026-3-12 07:52 , Processed in 0.133341 second(s), 25 queries .

Powered by Discuz! X3.5 Licensed

© 2001-2025 Discuz! Team.

快速回复 返回顶部 返回列表